130 Gövde – 1500 rpm – 14,6Nm – 220V
Ürün Kodu: MS6H-130CS15B2-22P3
- Single Turn Absolute Enkoderli
- DS5 serisi sürücüler ile uyumlu
- Flanş ölçüsü 130 mm 2300 W nominal güç
- 1500 rpm 14,6 Nm döndürme momenti
- Yüksek Atalet
Motor Özellikleri
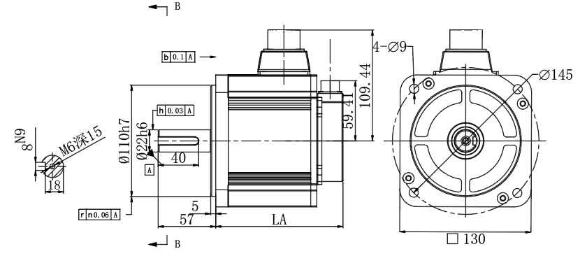
| Motor Model | LA±1 | Atalet | |
|---|---|---|---|
| Frensiz | Frenli | ||
| MS6H-130CS15B2-22P3 | 195.6 | 225.6 | Yüksek Atalet |
MS6H-130CS15B2-22P3 Motor Özellikleri
| MOTOR MODELİ | MS6H-130CS15B2-22P3 | |
|---|---|---|
| Motor Giriş Gerilimi | 230 VAC | |
| Nominal Motor Hızı | n | 1500 rpm |
| Maksimum Motor Hızı | nMAX | 2000 rpm |
| Nominal Güç | Pn | 2.3 kW |
| Nominal Tork | Tn | 14.6 Nm |
| Pik Tork | Tpk | 29.2 Nm |
| Nominal Akım | In | 11.8 A |
| Rotor Ataleti | J | 35240 x 10-7 kg.m2 |
| Kutup Sayısı | PN | 5 |
| Enkoder: Single Turn Absolute | Bit | 17 |
| Motor Atalet Tipi | Yüksek | |
| Motor Yalıtımı Seviyesi | ClassF(155°C) | |
| Koruma Seviyesi | IP65 | |
| Ortam Sıcaklığı | -15 ~ +40 °C | |


